前言
挖掘機維修往往充滿挑戰。一方面,發動機與液壓系統之間存在複雜的電路配置關係,若只依賴通用診斷工具,排除故障的難度相當高。另一方面,核心零組件通常被多層防護結構包覆,拆解並不容易,而且零件價格昂貴、更換成本高。
不過請不用擔心!宏虹 Pico 汽車示波器同樣能協助工程師高效率地診斷工程機械故障!
一、故障現象說明

一台日立 Zaxis 135 挖掘機,客戶反映引擎轉速無法提升,導致機器無法移動,被困在工地現場。同時,儀表板上也出現多項故障警示。
二、故障診斷
初步檢查
查閱操作手冊後,在設備的服務選單中發現部分隱藏資訊,內容類似即時運行資料。其中:
目標轉速與實際轉速均顯示為空白
但機油壓力、冷卻液溫度等其他引擎參數仍可正常顯示
選單中的另一項實用功能是檢視液壓泵壓力(原廠已在液壓系統中安裝壓力感測器),但很可惜,此數值同樣顯示為空白。由此可以判斷:顯示螢幕仍能接收到部分引擎相關元件的訊號,表示通訊並未完全中斷;然而與轉速與壓力相關的資料卻完全缺失。

圖2 顯示螢幕上轉速資訊缺失警示

圖3 引擎故障警示
基礎訊號驗證
由於該設備採用共軌柴油引擎,理論上只要引擎能啟動並運轉,曲軸位置感測器訊號應該是正常的。
然而維修工作不能僅憑推測,因此仍需對曲軸訊號進行實際驗證。
找到曲軸位置感測器的訊號線,並安裝通用轉接線。如圖4所示,我們分別擷取:
- 曲軸位置感測器訊號
- 凸輪軸位置感測器訊號
- 噴油器電流

圖4 故障挖掘機的曲軸、凸輪軸訊號與噴油電流
當然,在此同時擷取凸輪軸訊號與噴油電流的目的,是為了保存一組正常運作時的波形資料,以便日後比對分析。
此外,也可以將擷取到的波形上傳至波形資料庫或雲端,方便未來隨時調閱。
從圖4的波形來看,基礎訊號均屬正常,說明引擎控制系統的核心部分沒有問題。
既然如此,問題很可能出現在資料傳輸環節。
引擎電子控制單元 ECU 需要將引擎轉速訊號傳送到駕駛室的顯示螢幕,但目前顯示器上的目標轉速與實際轉速均未顯示資料。
這些資訊是如何傳遞的?
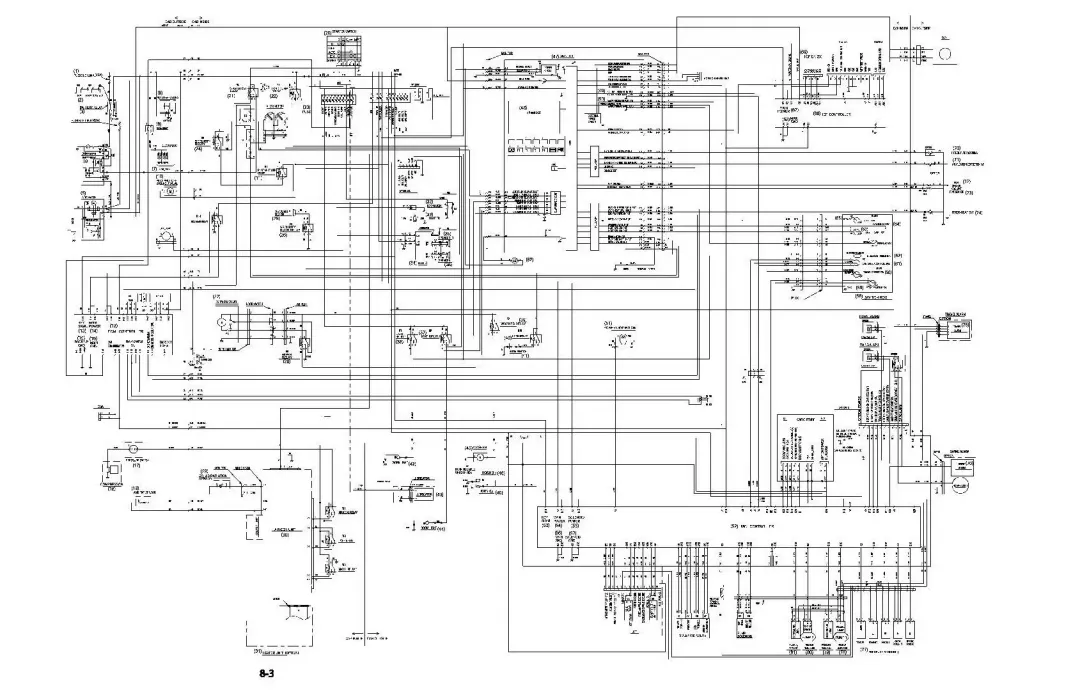
答案是 CAN 匯流排(CAN Bus)。如圖5所示,我們找到該挖掘機設備的接線圖。

圖5 故障挖掘機的接線圖
當然,我們不需要分析整張接線圖。如圖6所示,稍微簡化後,只需要關注:
CAN 匯流排
相關控制單元
以及用來調整引擎轉速(RPM)的轉速控制旋鈕
備註:
- Engine Speed Control Dial:轉速調整旋鈕
- Information Display (INF):資訊顯示器
- ICF:儀表控制單元
- Machine Controller ECU (MCU):機器控制 ECU
- Engine ECU (ECM):引擎控制 ECU

圖6 簡化後的接線圖
如圖所示,操作人員透過轉速控制旋鈕發出指令。
此指令會先傳送到資訊顯示器與機器控制 ECU(MCU),
接著由機器控制 ECU 透過 CAN 匯流排將轉速請求傳送至引擎 ECU(ECM)。
之後,引擎 ECU 再將轉速資訊回傳至顯示器。
這也解釋了為什麼部分引擎資料仍然能正常顯示:因為這些資料是透過網路通訊共享機制傳輸的。
CAN 匯流排波形測試分析
有了上述推論,接下來需要進行實際驗證。
如圖7所示,使用宏虹 Pico 示波器,將探棒接到 CAN 匯流排上,觀察各 ECU 之間的通訊情況。在多數具有 OBD 接頭的車輛上,找到 CAN 匯流排並不困難;但工程機械設備通常沒有這麼方便。
經過一番查找後,我們終於找到正確線路並開始監測,並且發現了相當有意思的結果

圖7 將探棒接到 CAN 匯流排上
圖8為我們擷取到的 CAN 匯流排波形。其中:
藍色的 A 通道 為 CAN 高訊號(CAN H)
紅色的 B 通道 為 CAN 低訊號(CAN L)
CAN 匯流排採用差分訊號傳輸,因此我們另外加入數學通道進行輔助分析:
粉色:A+B 通道(CAN 高 + CAN 低)
紫色:A−B 通道(CAN 高 − CAN 低)
在正常情況下:
CAN 高 + CAN 低 ≈ 5V
CAN 高 − CAN 低應呈現規律的方波訊號
然而在這台故障挖掘機的部分資料封包中,A+B 通道出現異常:
前三個資料封包在傳輸時有輕微干擾,但仍維持在正常的 5V 範圍內
後四個資料封包的電壓明顯升高

圖8 故障挖掘機的 CAN 匯流排波形
將兩組資料封包放大比較後,差異更加明顯:第二組資料封包在A+B 通道中出現明顯失真,看起來較為雜亂;而A−B 通道的波形則相對穩定。
這表示 CAN 匯流排確實存在異常現象,但目前仍無法確定問題究竟來自哪一個元件。

圖9 放大後的故障挖掘機 CAN 匯流排波形
檢查轉速控制旋鈕
既然暫時無法完全確定 CAN 匯流排是否存在問題,我們決定從另一個角度著手,檢查轉速控制旋鈕本身。這是一個結構相對簡單的三線式裝置:5V 電源、接地與訊號輸出。如果該旋鈕無法向支援控制 ECU 輸出訊號,自然就不會產生轉速變化的請求。

圖10 轉速控制旋鈕
打開點火開關後,用萬用表量測旋鈕供電,結果發現 5V 電源缺失!
如圖6所示,不僅轉速控制旋鈕使用這組 5V 電源,液壓泵壓力感測器也使用相同電源。這也解釋了為什麼儀表上的泵壓讀值同樣顯示為空白。
至此,問題逐漸清晰:缺少 5V 供電導致轉速控制旋鈕無法正常工作,進而無法控制引擎轉速。那麼這組 5V 電源是從哪裡來的呢?答案是:機器控制 ECU。
定位故障元件

圖11 機器控制 ECU 所在位置
檢查機器控制 ECU 的電源與接地後,確認均屬正常。然而 ECU 應該輸出的 5V 參考電壓卻不存在。
所有證據都指向同一個結論:機器控制 ECU 本身已經損壞。
這是所有維修人員最不希望面對的結果,需要更換一個價格昂貴的控制單元。但根據我們收集到的所有證據,這是唯一合理的判斷。
三、故障排除
訂購並安裝新的機器控制 ECU 後,故障完全排除:
原本缺失的 5V 參考電壓恢復正常
資訊顯示器上的故障碼全部消失
轉速控制旋鈕可正常運作
引擎轉速可以正常調整
液壓泵壓力讀值恢復顯示
四、故障總結
1. CAN 匯流排到底是否異常?
更換 MCU 後,我們再次在同一位置量測 CAN 匯流排訊號(如圖12)。
可以看到:CAN H 與 CAN L 的波形與先前測試幾乎相同,
而 CAN 高 + CAN 低仍然維持在 5V 基準線附近。
A-B 差分訊號依然相當規律,並能正常解碼。需要注意的是,此時匯流排上的通訊量相較故障時明顯增加。

圖12 正常車輛的 CAN 匯流排波形
我們參考了一篇關於 ECU 電氣特性的技術文章,其中提到:
在報文有資料傳輸期間,匯流排上呈現的顯性電壓
(CAN H 約 3.5V、CAN L 約 1.5V)
會因 ECU 內部設計、公差、接線情況、元件差異以及在匯流排上的物理位置不同,
而呈現出不同的特徵。
對工程機械而言,這種 ECU 特性差異會更加明顯。
原因在於:
一台設備通常來自多家供應商,例如:
引擎 ECU 可能來自康明斯、五十鈴或洋馬
資訊顯示器可能由其他廠商供應
而機器控制 ECU 則由整機製造商整合
因此,在故障排除後,我們可以將這組波形加入正常波形資料庫。這也是為什麼我們建議工程師養成蒐集正常波形的習慣,因為需要為未來維修建立參考依據,避免走冤枉路。
2. 機器控制 ECU 為什麼會損壞?
初步拆解後發現,機器控制 ECU 內部覆蓋大量灰塵(圖13),但並未發現任何元件燒毀。
不過在電路板上仍發現部分元件出現腐蝕現象(圖14)。

圖13 機器控制 ECU 電路板灰塵堆積

圖14 電路板元件腐蝕
了解更多產品資訊
宏虹Pico 示波器診斷套裝
宏虹 Pico 汽車示波器的完整診斷套裝可用於診斷任何搭載引擎或電動馬達的車輛與設備故障。可進行多種常見測試,包括:感測器訊號測試、執行器測試、車載通訊匯流排分析(例如:CAN / LIN、SENT、FlexRay)
宏虹將提供您所需的任何支援!
專業的宏虹團隊會第一時間回應,為您提供最佳的服務,解決您的一切問題